 |
Мотор-редуктор планетарный МПО2М
Описание:
Мотор-редукторы планетарные зубчатые модернизированные специального назначения типа МПО2М-10, МПО2М-15 предназначены для привода аппаратов химической промышленности.
Мотор-редукторы предназначены для режима работы S1 по ГОСТ 183-74 от сети переменного тока с частотой 50 Гц и номинальными напряжениями по ГОСТ 21128-83.
УСЛОВИЯ ПРИМЕНЕНИЯ РЕДУКТОРОВ:
-
нагрузка постоянная или переменная по величине (в пределах допускаемого крутящего момента) и направлению;
-
вращение выходного вала в любую сторону;
-
передачу крутящего момента рекомендуется осуществлять с помощью промежуточного устройства, исключающего действие поперечных сил на выходной вал мотор-редуктора;
-
климатическое исполнение - У и Т, категории размещения 2 и 3 по ГОСТ 15150-69 при высоте над уровнем моря до 1000 м;
-
температура окружающей среды от -40°С до +40°С;
-
окружающая среда - неагрессивная с содержанием непроводящей пыли до 10 мг/м3 и относительной влажностью до 80% при температуре +20°С - для мотор-редукторов с закрытыми обдуваемыми двигателями;
-
взрывоопасная зона класса В-1а, категория взрывоопасных смесей, II-А, II-В, группа взрывоопасных смесей по температуре самовоспламенения Т4 по ПУЭ для мотор-редукторов с взрывозащищенными двигателями.
Мотор-редукторы МПО2М-10 и МПО2М-15 по способу монтажа и положению в пространстве имеют исполнения :
- Щ - горизонтальное на опорных лапах;
- Ф - горизонтальное на опорном фланце;
- В - вертикальное на опорном фланце;
- ВК - вертикальное на опорном фланце с кольцевой канавкой на выходном валу.

РИС1.
Мотор-редуктор горизонтального исполнения на лапах - Щ.
| Габарит |
L1 |
L2 |
L3 |
L4 |
l |
A |
A1 |
В |
B1 |
С |
H |
H1 |
H2 |
d1 |
d2 |
R |
t |
МПО2М-10 |
125 |
40 |
420 |
60 |
80 |
250 |
150 |
300 |
210 |
12 |
370 |
160 |
20 |
40 |
17 |
150 |
43 |
МПО2М-15 |
215 |
65 |
615 |
100 |
140 |
390 |
210 |
460 |
300 |
18 |
496 |
225 |
35 |
65 |
22 |
210 |
69 |
Таблица №1.
Мотор-редуктор горизонтального исполнения на лапах.

РИС 2.
Мотор-редуктор горизонтального фланцевого исполнения - Ф

РИС3.
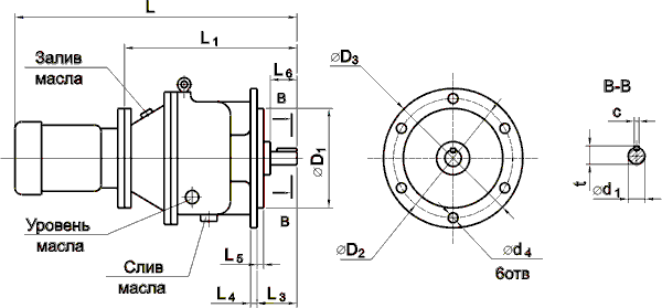
Мотор-редуктор вертикального фланцевого исполнения – В и ВК
Габарит |
L1 |
L3 |
L4 |
L5 |
L6 |
D1 |
D2 |
D3 |
d1 |
d2 |
d3 |
d4 |
l1 |
l2 |
c |
t |
МПО2М-10 |
420 |
110 |
16 |
6 |
80 |
270 |
300 |
330 |
40 |
32 |
38 |
13 |
11 |
4 |
12 |
43 |
МПО2М-15 |
615 |
190 |
20 |
10 |
140 |
330 |
375 |
420 |
65 |
55 |
62 |
22 |
14 |
6 |
18 |
69 |
Таблица №2.
Мотор-редуктор горизонтального и вертикального фланцевого исполнения - Ф , В и ВК
ТЕХНИЧЕСКИЕ ХАРАКТЕРИСТИКИ.
| Мотор-редуктор |
Электродвигатель |
| Типоразмер |
Передаточное число |
Номинальная частота вращения выходного
вала, об/мин |
масса мотор-редуктора, кг,не более. |
Корректированный уровень звуковой
мощности по шкале А, дБ, не более |
Тип |
Мощность, кВт |
МПО2М-10 |
23,1 |
63 |
102 |
89 |
4АМХ100s4 |
3 |
142 |
2В100s4 |
28,2 |
50 |
102 |
4АМХ100s4 |
142 |
2В100s4 |
86 |
86 |
4АМХ80B4 |
1,5 |
100 |
B80B4 |
81 |
4АМХ71B4 |
0,75 |
88 |
B71B4 |
45,5 |
31,5 |
86 |
4АМХ80B4 |
1,5 |
100 |
B80B4 |
45,5 |
31,5 |
81 |
86 |
4АМХ71B4 |
0,75 |
88 |
B71B4 |
66,5 |
20 |
86 |
4АМХ80B4 |
1,5 |
100 |
B80B4 |
81 |
4АМХ71B4 |
0,75 |
88 |
B71B4 |
81,6 |
16 |
81 |
4АМХ71B4 |
88 |
B71B4 |
208 |
6,3 |
71 |
4АА63B4 |
0,37 |
85 |
B63B4 |
2190 |
0,63 |
71 |
4АА63B4 |
85 |
B63B4 |
МПО2М-15 |
24,6
32,1 |
59
45 |
267 |
93 |
4АМ132М4 |
11 |
315 |
2В132М4 |
252 |
4АМ132s4 |
7,5 |
305 |
2В132s4 |
267 |
4АМ132М4 |
11 |
315 |
2В132М4 |
252 |
4АМ132s4 |
7,5 |
305 |
2В132s4 |
228 |
4АМ112МА4 |
5,5 |
270 |
2В112М4 |
46,9 |
31 |
228 |
4АМ112МА4 |
270 |
2В112М4 |
81,5 |
18 |
207 |
89 |
4АМХ100sА4 |
3 |
260 |
2В100s4 |
101,7 |
14 |
191 |
86 |
4АМХ80В4 |
1,5 |
204 |
В80В4 |
204 |
6,7 |
186 |
4АМХ71В4 |
0,75 |
195 |
В71В4 |
4,6 |
190 |
4АМХ80А6 |
202 |
В80А6 |
2469 |
0,56 |
186 |
4АМХ71А4 |
0,55 |
195 |
В71А4 |
|
| Типоразмер |
Радиус водила, мм |
Допускаемый крутящий момент на выходном
валу, Н*м |
Допускаемые нагрузки на выходном валу, Н |
| радиальная |
осевая |
МПО2М-10 |
50 |
600 |
3000 |
1500 |
МПО2М-15 |
75 |
2350 |
7000 |
3000 |
| Габаритные размеры комплектующих электродвигателей |
| Тип 4А |
Тип 2B |
| Габарит |
L, mm |
Габарит |
L, mm |
63В4 |
186 |
63В4 |
245 |
71А4 |
245 |
71А4 |
265 |
71В4 |
245 |
71В4 |
265 |
80А6 |
260 |
80А6 |
300 |
80В4 |
270 |
80В4 |
300 |
100S4 |
305 |
100S4 |
455 |
112MA4 |
372 |
112MA4 |
520 |
132M4 |
450 |
132M4 |
540 |
132S4 |
400 |
132S4 |
505 |
ПРИМЕР УСЛОВНОГО ОБОЗНАЧЕНИЯ ПРИ ЗАКАЗЕ.
Мотор-редуктор МПО2М-10Щ-28,2-1,5/50АМХ80В4У3 ТУ 2-056-223-84, где:
-
МПО2М - тип мотор-редуктора;
-
10 - условный диаметр водила, см;
-
Щ - горизонтальное на опорных лапах;
-
28,2 - передаточное число;
-
1,5 - мощность комплектующего двигателя, кВт;
-
50 - частота вращения выходного вала, об/мин;
-
4АМХ80В4 - комплектующий двигатель;
-
У3 - климатическое исполнение и категория размещения.
То же, климатического исполнения Т3.
МПО2М-10Щ-28,2-1,5/50АМХ80В4T3 ТУ 2-056-223-84.
Приводная техника (мотор-редукторы, преобразователи частоты и устройства плавного пуска) отправляется покупателю транспортной компанией. По всем вопросам обращаться в офис.
Мы всегда рады видеть у себя наших старых партнеров и ждем новых.
Доставка во все регионы России!
|
 |